{dede:field name='position'/}
 

单轴平台

产品详情

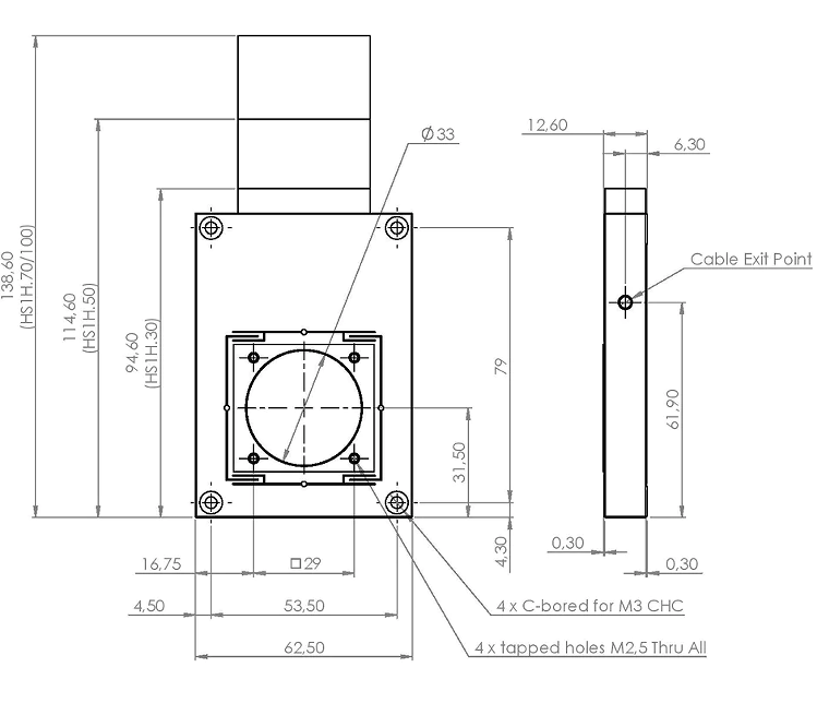
HS1H 是一种紧凑型纳米位移台,可以组合形成 2 轴或甚至 3 轴的纳米定位系统。它提供 10、30、50、70 或 100 微米的运动范围,并且有一个 33 毫米的中心孔,使其非常适合光学显微镜应用。由于直接驱动结构,它具有特别快的步进响应时间。

这个纳米位移台是我们高速产品线的一部分(提供高功率控制器)。


产品参数